
【產品編號】MG系列
【產品簡介】1.出口溫度范圍:+7℃~+35℃ 2.泵內部 3.不銹鋼水箱內部可根據需要定制。 4.節電。 5.“V”型風冷翅片式冷凝器,具有良好的換熱效率。 6.微機智能控制系統; 7.溫度自動控制,無需手動操作。
立即咨詢

冷水機強力優勢:
1)品牌耐用的渦旋式壓縮機:谷輪,丹佛斯或松下。
2)三種蒸發器支持不同的工作回路。
A.坦克與卷,容易清除
B.殼管式,高效
C.釬焊板式換熱器(BPHE)
3)高效V型冷凝器:螺旋銅管覆蓋的鋁翅片
4)膨脹閥:艾默生
5)鐵泵和不銹鋼泵的不同選擇
6)安裝在冷卻器內部的緩沖罐可選
7)內置鐵或不銹鋼循環水泵
8)多重保護裝置:-壓縮機內部保護,過流保護,高/低壓保護,過熱保護,流量開關,相序/相丟失保護,冷卻液液位低保護,防凍保護,排氣過熱保護。
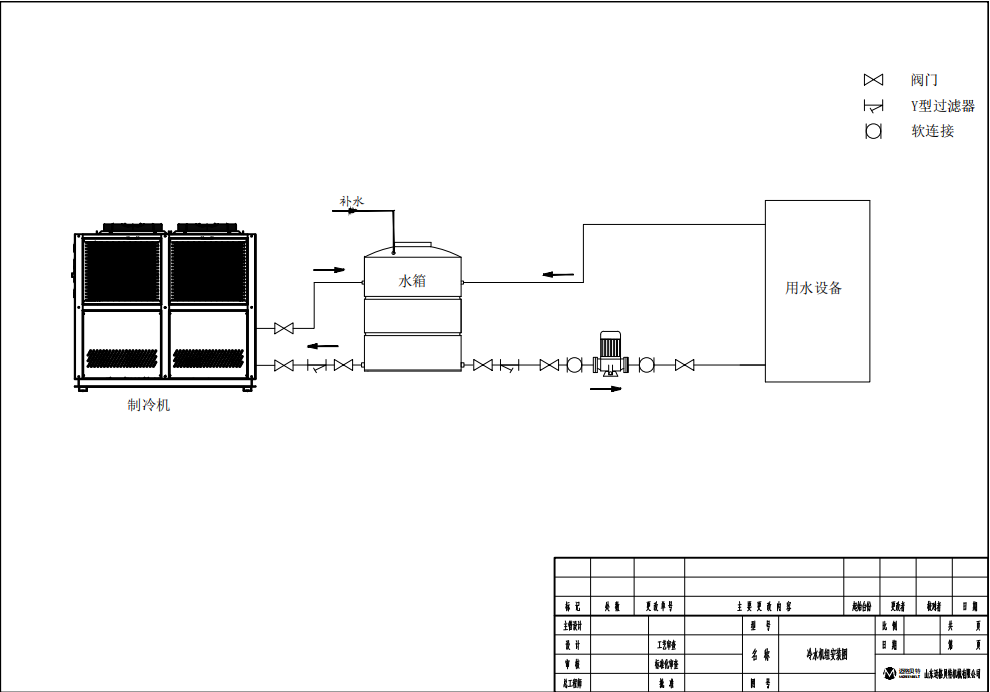
流程原理圖


冷水機適用行業



山東邁格貝特機械有限公司成立于2010年,主要從事工業制冷機、制冷機組等制冷設備的研發和制造。經過十多年的創新發展,我們先后通過了ISO9001質量體系和CE認證的檢驗和測試,接受了BV、SGS等第三方認證機構的檢驗。在2025年獲得了“國家高新技術企業”、“專精特新企業”等企業榮譽。并逐步發展成為一家致力于一站式制冷解決方案制造商。

“專業鑄就品質,科技創造價值”邁格貝特期待與您有溫度的合作:400-606-5920!